1.Laboratory Procedures:
Icaridin is supplied as a neat oil. A stock solution may be made by dissolving the icaridin in the solvent of choice. Icaridin is soluble in organic solvents such as ethanol, DMSO, and dimethyl formamide (DMF), which should be purged with an insert gas. The solubility of icaridin in the ethanol and DMF is approximately 30mg/ml and approximately 25mg/ml in DMSO.
Further dilutions of the stock into aqueous buffers or isotonic saline should be made prior to performing biological experiements. Ensure that the residual amount of organice solvent is insignificant, since organic solvents may have physiological effects at low concentrations. Organic solvent-free aqueous solutions of icaridin can be prepared by directly dissolving the neat oil in aqueous buffers. The solubility of icaridin in PBS, pH7.2, is approximately 2mg/ml. We do not recommend storing the aqueous solution for more than one day.
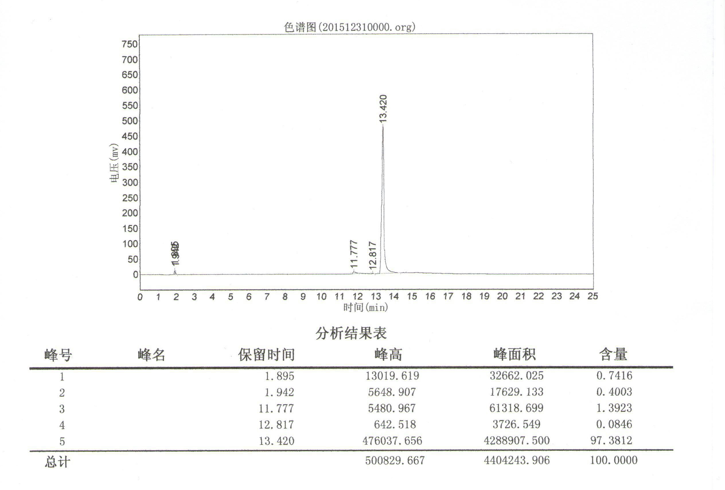
2. Test Method–GC
Chromatograph Chart


